
Search
National Free Hotline: 
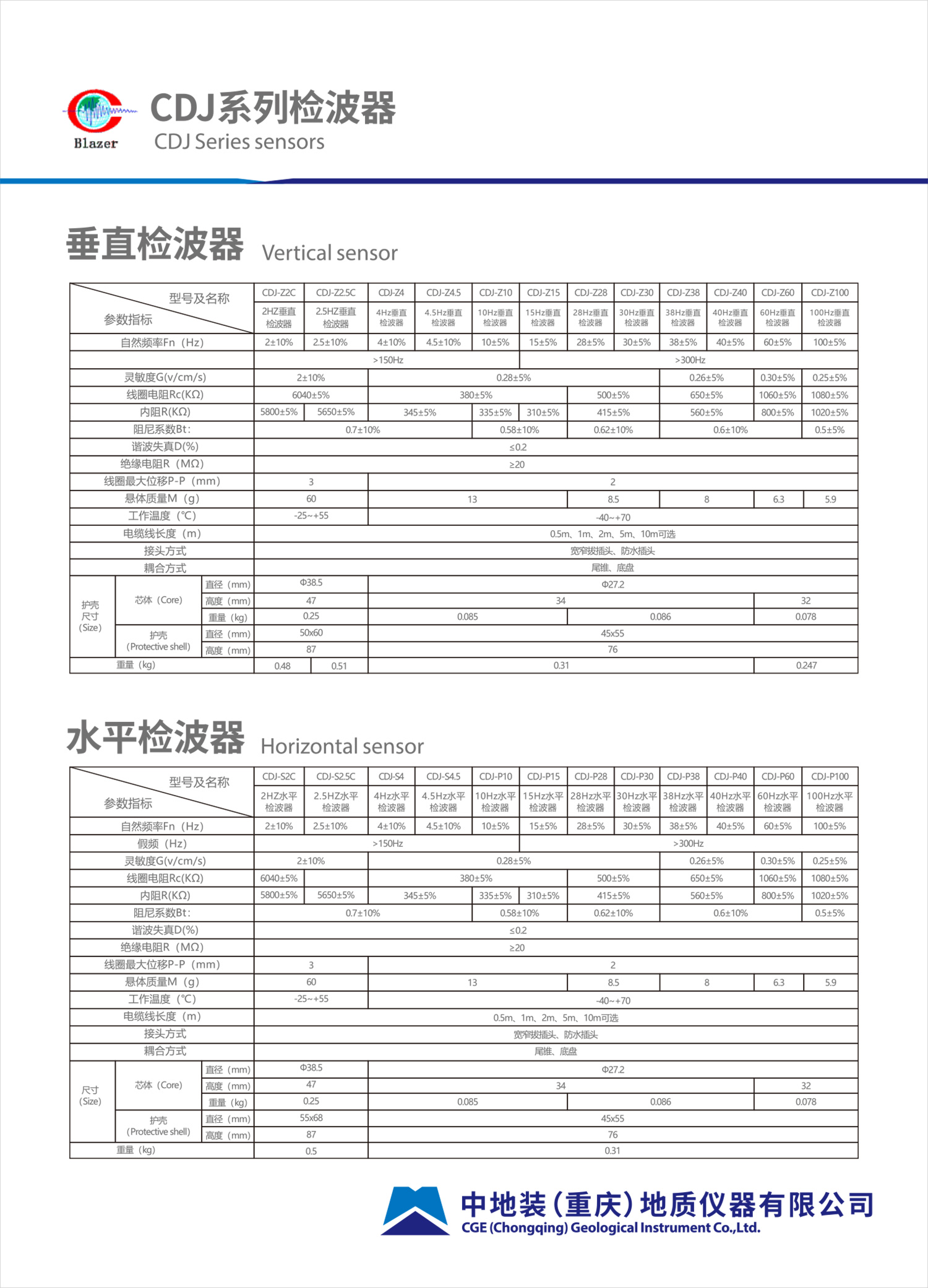
Good consistency of parameters, firm structure, good tightness, light weight, high sensitivity, low distortion, reasonable damping coefficient and high resolution can meet the requirements of multi-component seismic data acquisition. Widely used in public facilities (bridges, railway tunnels) safety monitoring, advance forecast, etc.